Xi lanh điện CASM-25

Liên hệ

Lực động tối đa 300 N
Lực tĩnh tối đa 2600 N
Khả năng chịu tải động 2042 N
Tốc độ 125 mm/s
Gia tốc 4 m/s2
Hiệu suất hoạt động 100%
Loại vít me Vít me bi
Đường kính vít me 8 mm
Bước ren 2,5 mm
Cấp chính xác vít me G7
Hành trình 20-50 mm
Nhiệt độ môi trường hoạt động 0-50 độ C
Độ ẩm tối đa 90
Cấp bảo vệ IP rating IP 54S

Xi lanh điện CASM-25. Sản phẩm Xi lanh điện hiệu suất cao CASM EWELLIX. Là loại Xi lanh điện hiệu suất cao có khả năng hoạt động tục. Hiệu suất hoạt động hay là duty cycle từ 70 – 100%. Tốc độ di chuyển dọc trục lên đến 1111 m/s với gia tốc cực đại 38.2 m/s2. Loại xi lanh này thích hợp với các ứng dụng đòi hỏi tốc độ nhanh, tải trọng lớn và cường độ hoạt động cao. Công ty Cổ phần Minh Việt phân phối chính hãng EWELLIX.

Bảng thông số kỹ thuật Xi lanh điện

CASM-25 Bảng thông số kỹ thuật Linear unit

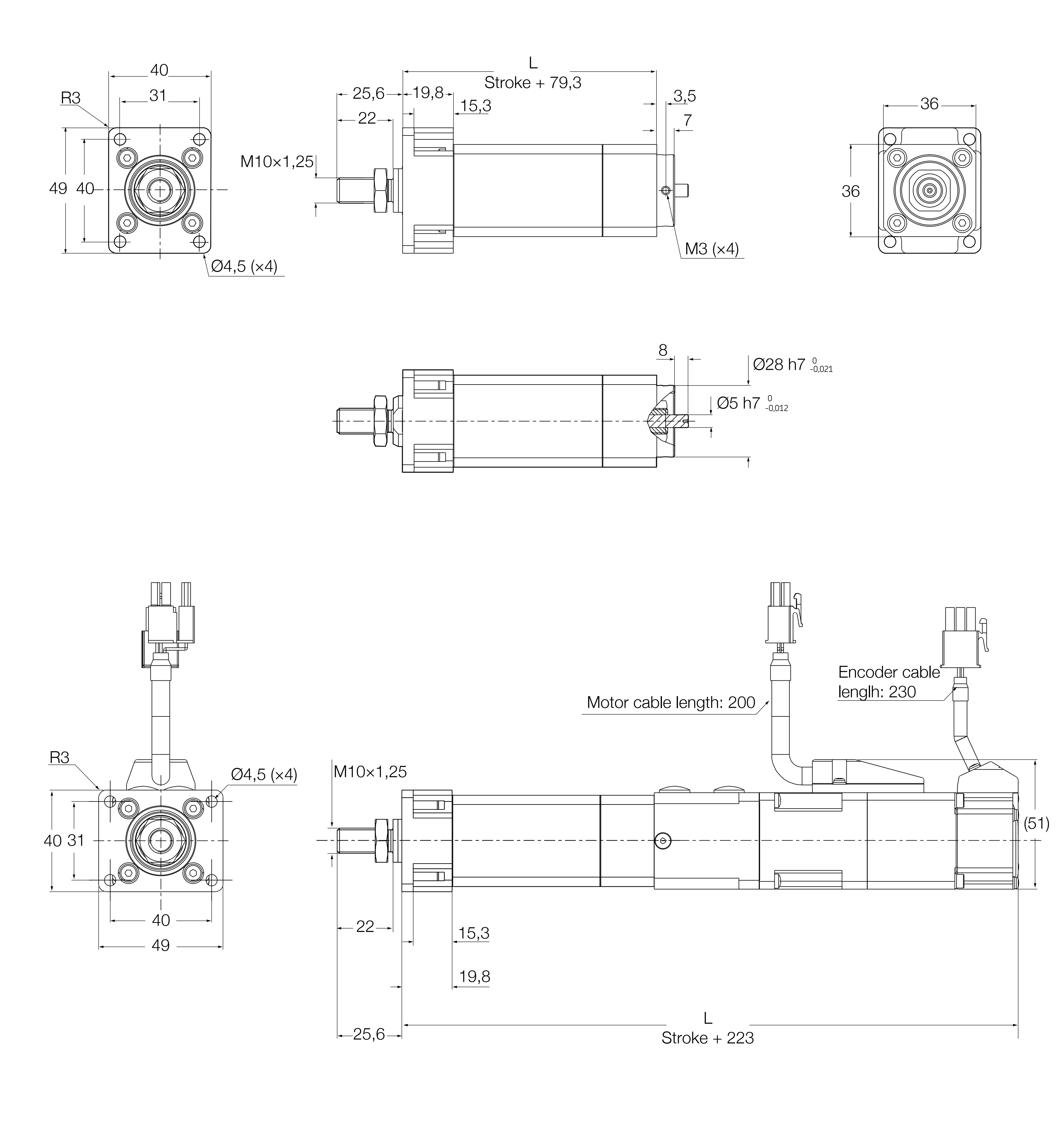
Bản vẽ Xi lanh điện CASM-25 EWELLIX

CASM-25 Bản vẽ

 

Biểu đồ hiệu suất 

CASM-25 Biểu đồ hiệu suất

Thông tin đặt hàng Xi lanh điện CASM-25 EWELLIX

CASM-25 Bảng lựa chọn

EWELLIX là nhà cung cấp toàn cầu về các giải pháp truyền động và chuyển động tuyến tính. Ngày nay, các giải pháp tuyến tính hiện đại của EWELLIX được thiết kế để tăng hiệu suất máy. Tối đa hóa thời gian hoạt động, giảm bảo trì, cải thiện độ an toàn và tiết kiệm năng lượng. EWELLIX thiết kế các giải pháp cho tự động hóa công nghiệp, thiết bị y tế, máy móc di động. Phân phối công nghiệp và các ứng dụng công nghiệp khác.

Xi lanh điện EWELLIX năng suất cao hơn với chuyển động nhanh và mượt mà. Tích hợp dễ dàng và nhanh chóng vào thiết bị của khách hàng cũng thông qua giao tiếp bus CAN. Độ tin cậy và bảo vệ cao hơn. Tiết kiệm chi phí và hầu như không cần bảo trì. Giám sát và chẩn đoán trên bo mạch. Đặc trưng: Phản hồi vị trí tuyệt đối hoặc tăng dần và công tắc giới hạn (tùy chọn). Tích hợp bảo vệ quá tải và quá nhiệt. Kết cấu chắc chắn, dải nhiệt độ rộng, chống ăn mòn. Nền tảng SmartX với bộ điều khiển tích hợp.