Xi lanh điện CAHB-10-x1. Sản phẩm Xi lanh điện tải lớn CAHB EWELLIX. Là dòng xi lanh điện đáp ứng các yêu cầu có tải trọng lớn (lên đến 12000N). Với cấu trúc vòng chặn kết hợp seal kín khít, khả năng chống bụi và chống nước đạt đến IP 66/69K. Ứng dụng trong ngành công nghiệp nặng, y tế, đáp ứng tốt các nhu cầu truyển động ngay cả những môi trường hoạt động khắc nghiệt. Công ty Cổ phần Minh Việt phân phối chính hãng EWELLIX.
Bảng thông số kỹ thuật Xi lanh điện

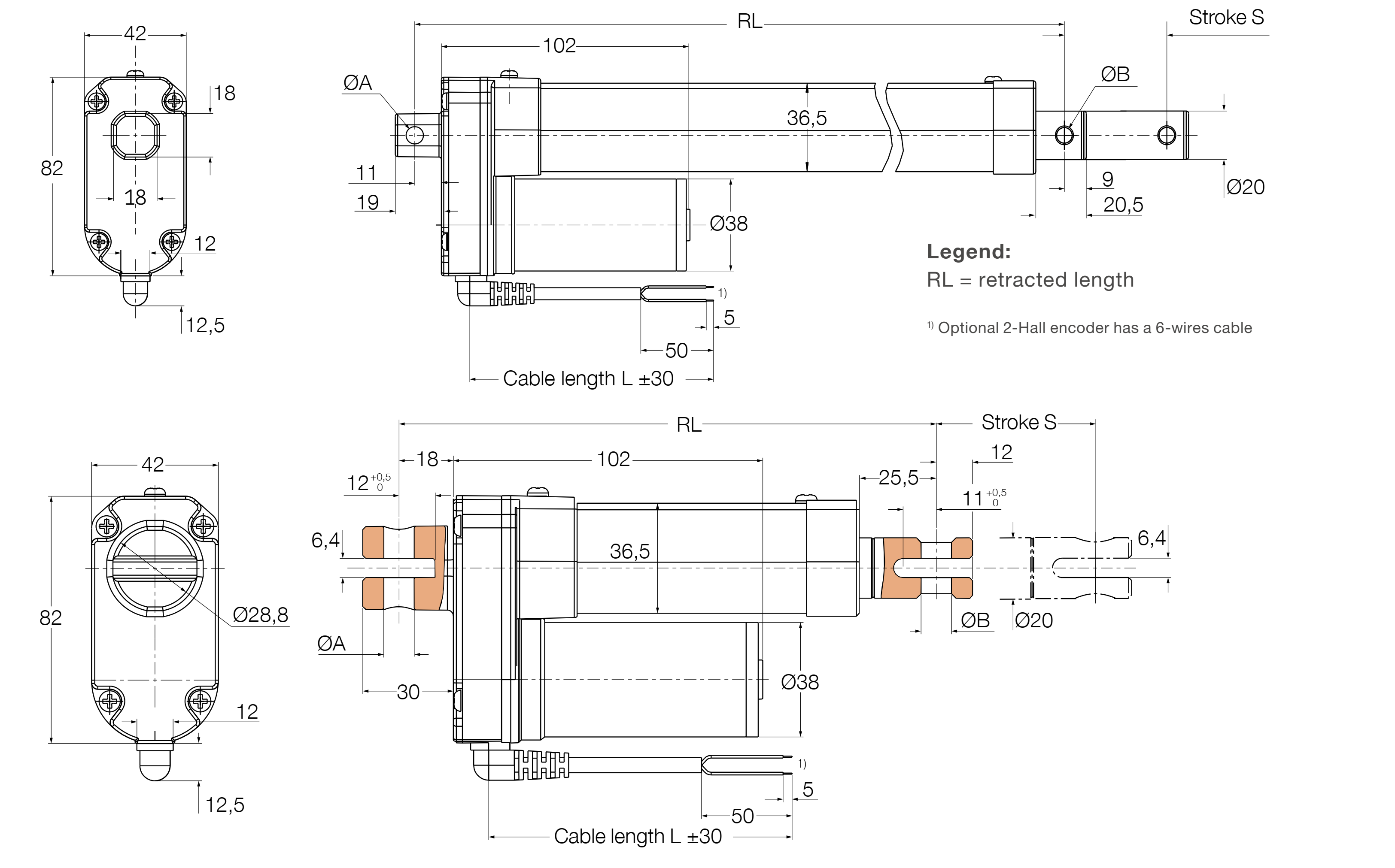
Bản vẽ Xi lanh điện CAHB-10-x1 EWELLIX
Bản vẽ không kèm phản hồi vị trí

Bản vẽ có phản hồi vị trí 
Biểu đồ hiệu suất

Thông tin đặt hàng Xi lanh điện CAHB-10-x1 EWELLIX

Ewellix là nhà cung cấp toàn cầu về các giải pháp truyền động và chuyển động tuyến tính. Ngày nay, các giải pháp tuyến tính hiện đại của Ewellix được thiết kế để tăng hiệu suất máy. Tối đa hóa thời gian hoạt động, giảm bảo trì, cải thiện độ an toàn và tiết kiệm năng lượng. Ewellix thiết kế các giải pháp cho tự động hóa công nghiệp, thiết bị y tế, máy móc di động. Phân phối công nghiệp và các ứng dụng công nghiệp khác.
Xi lanh điện EWELLIX năng suất cao hơn với chuyển động nhanh và mượt mà. Tích hợp dễ dàng và nhanh chóng vào thiết bị của khách hàng cũng thông qua giao tiếp bus CAN. Độ tin cậy và bảo vệ cao hơn. Tiết kiệm chi phí và hầu như không cần bảo trì. Giám sát và chẩn đoán trên bo mạch. Đặc trưng: Phản hồi vị trí tuyệt đối hoặc tăng dần và công tắc giới hạn (tùy chọn). Tích hợp bảo vệ quá tải và quá nhiệt. Kết cấu chắc chắn, dải nhiệt độ rộng, chống ăn mòn. Nền tảng SmartX với bộ điều khiển tích hợp.








