Xi lanh điện y tế Runner. Runner là một thiết bị truyền động tuyến tính rất nhỏ gọn và mạnh mẽ lên đến 12000N. Nhắm mục tiêu các ứng dụng tải cao cho các thiết bị y tế. Dòng sản phẩm này đã được phê duyệt về mặt y tế. Và có sẵn với các tùy chọn như nâng hạ, phản hồi vị trí gia tăng và hạ thấp khẩn cấp. Hệ thống bao gồm một bộ điều khiển an toàn sự cố. Nó là duy nhất cho tối đa 3 thiết bị truyền động cũng như các phụ kiện liên quan.
Đặc điểm Xi lanh điện y tế Runner
Được thiết kế cho các thiết bị y tế, tuân theo tiêu chuẩn IEC 60601-1
Hoạt động im lặng
Khả năng đẩy / kéo lực cao
Khả năng đồng bộ hóa
Các đơn vị điều khiển, thiết bị vận hành và phụ kiện tương thích có sẵn
Trục chính được cung cấp theo tiêu chuẩn
Hệ số an toàn cao
| Push load |
up to 12 000 N |
|---|---|
| Pull load |
up to 8 000 N |
| Max stroke (mm) |
50 to 500 mm |
| Voltage |
24 V DC |
| Operating temperature | |
| Type of protection |
IP X4S or X6S |
| Max. speed no load (mm/s) |
up to 8 mm/s |
| Duty cycle (%) |
10 |
Ewellix – 50 năm giá trị toàn cầu. Bắt nguồn từ Tập đoàn SKF, đến tháng 12 năm 2018 Triton đã chính thức sở hữu Ewellix. Hãng tiếp tục giữ trọng tâm phát triển giải pháp và sản phẩm truyền động tuyến tính – Linear Motion.
Bảng thông số kỹ thuật Xi lanh điện Runner

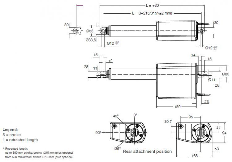
Bản vẽ xi lanh điện Runner








