Bộ điều khiển nhiệt độ kỹ thuật số VX4

Liên hệ

Bộ điều khiển nhiệt độ kỹ thuật số VX4

  • Khả năng hiển thị cao và quan sát thuận tiện với màn hình LCD âm bản sáng
  • Độ chính xác đầu vào cao và hiệu suất điều khiển tuyệt vời
  • Hệ thống phím nhựa bền
  • Dễ dàng thiết lập và bảo trì với 5 phím
  • Dễ dàng thay thế bên trong bằng mặt trước mà không cần nối lại dây đầu cuối
  • Có thể cài đặt nhiều thiết bị cùng lúc mà không cần nguồn điện đầu vào riêng biệt với kết nối truyền thông của bộ tải.
  • Tiết kiệm không gian với chiều dài thân ngắn 63 mm

Bộ điều khiển nhiệt độ kỹ thuật số VX4 – hay còn gọi là đồng hồ điều chỉnh nhiệt kỹ thuật số Hanyoung VX là dòng sản phẩm với các chức năng đo đạc và điều khiển nhiệt độ. Được thiết kế mang lại khả năng tính toán chính xác, tốc độ nhanh. Bộ điều khiển nhiệt độ kỹ thuật số VX4 thường được ứng dụng phổ biến vào các lĩnh vực khác nhau như công nghiệp hóa chất, công nghiệp thực phẩm, các hệ thống điều hòa nhiệt độ, …

Bộ điều khiển nhiệt độ kỹ thuật số VX4

Bộ điều khiển nhiệt độ kỹ thuật số VX4 được thiết kế với kích thước nhỏ gọn, giúp tiết kiệm tối đa không gian lắp đặt trên mặt tủ và không gian làm việc, được sản xuất bởi Hanyoung Nux – một thương hiệu toàn cầu trong việc sản xuất, phân phối thiết bị điện công nghiệp – điện tự động hóa. Bộ điều khiển nhiệt độ kỹ thuật số VX4 đã và đang được thị trường Việt Nam ưa chuộng và tin dùng rộng rãi. 

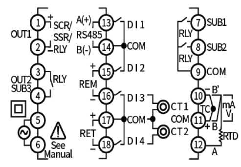
Sơ đồ đấu dây bộ điều khiển nhiệt độ kỹ thuật số VX4

Sơ đồ đấu dây bộ điều khiển nhiệt độ kỹ thuật số VX4

 

Bảng thông số kỹ thuật của bộ điều khiển nhiệt độ kỹ thuật số VX4

 

                                             Classification                  VX2                  VX4                  VX7                   VX9
Ngõ vào Lọai Thermocouple K, J, E, T, R, B, S, L, N, U, W, PLII
Tiếp điểm tham chiếu bù trừ ±1.5 c (trong khoảng -10~50 c)
Loại RTD JPT100, PT100
Trở kháng đường dây cho phép Trong khoảng 100
(nếu cảm biến 3 dây thì trở kháng giữa 3 dây phải giống nhau)
Dòng điện / điện áp DC 1~5 V (4~20 mA), 0~5 V, 0~10 V, 0~50 mV, 0~100 mV
Chu kỳ lấy mẫu 50 ms
Ngõ ra Ngõ ra Relay • Công suất định mức :5A 250 VAC, 5 A 30 VDC
• Công suất tối đa (tiếp điểm): 750 VA, 90 W
• Điện áp tối đa (tiếp điểm): 250 VAC, 110 VDC
• Dòng điện tối đa (tiếp điểm): 5 A
• Số lần đóng – ngắt tối đa: 20 triệu lần
Ngõ ra SSR Ngõ ra xung (điện áp): 12 V ± 1 VDC
(Trở kháng tối thiểu tại Tải là 600Ω)
Ngõ ra SCR Ngõ ra tuyển tính (dòng điện), trở kháng trên tải tối đa:
600Ω  ± 0.2% của FS ± 1 chữ số
Điều khiển Loại Điều khiển ON/OFF, PID, 2DOF PID
Hoạt động ngõ ra Ngược (REV), Thuận (DIR)
Bộ phận hiển thị Loại màn hình Màn hình LCD
Ký tự PV
(H * W)   mm
(20.5 x 6.9) (15.2 x 6.8) (19.8 x 9.3) (29.0 x 13.6)
Ký ti/ SV
(H * W) mm
(12.8 x 5.9) (7.4 x 3.9) (10.2 x 4.9) (15.0 x 7.2)
Ký tự MV
(H * W) mm
(9.3 x 4.4) (7.5 x 3.3) (11.0 x 4.8)
Bộ nhớ Bộ lưu trữ khi không điện Không khóa EEPROM: khi cài đặt E2P.L: OFF trong G.SET Khóa EEPROM: khi cài đặt E2P.L: ON trong G.SET
Số lần ghi EEPROM: khoang 1 triệu lần ghi
Cổng truyền thông USB Phương thức truyền thông UMS 2.0
Khung truyền • Protocol : PC   -LINK
• Baudrate : 38400 bps
• Start bit : 1 bit
• Data bit : 8bit
• Parity bit : None
• Stop bit : 1bit
Khoảng cách truyền thông Không vượt quá 5 m
Tùy chọn thêm Ngõ ra cảnh báo (Relay) 1~ 4 tiếp điểm, công suất đóng ngắt: 5A 250 VAC – 5A 30 VDC
DI 2 hoặc 4 tiếp điểm
Ngõ ra chuyển đổi Ngõ ra dòng điện tuyến tính
Trở kháng tải: tối đa 600 0 ± 0.2% theo FS ± 1 con số
Ngõ vào Remote 1 ngõ vào, 4 ~ 20 mA (1 ~ 5 V)
Ngõ vào cho CT 1 hoặc 2 tiếp điểm
RS-485 Phương thức truyền thông Tiêu chuẩn EIA RS485, 2 dây – truyền bán song công
Số thiết bị kết nối Tối đa 31 thiết bị (địa chỉ cho phép cài đặt 1~99)
Trình tự truyền thông Không trình tự
Khoảng cách truyền thông Trong phạm vi tối đaa 1.2km
Tốc độ truyền nhận 4800, 9600, 14400, 19200, 38400, 57600 BPS
    Start bit 1 bit
Data length 7 hoặc 8 bit
Parity bit NONE, EVEN, ODD
Stop bit 1 hoặc 2 bit
Protocol PC-LINK STD, PC-LINK SUM, MODBUS -ASCII, MODBUS -RTU
Thời gian đáp ứng Thời gian phản hồi thực tế = Thời gian xử lý + (thời gian phản hồi * 50ms)
Nguồn cấp Điện áp nguồn 100  – 240 VAC, 50 / 60 Hz
Khoảng cách điện áp đảo dòng cho phép ±10 %
Trở kháng cách điện Tối thiếu 20mOhm, 500 VDC
Độ bền điện 3,000 VAC. 50/60 Hz trong 1 phút
(giữa hai đầu terminal 1 và 2)
Công suất Max. 8.5 VA Max. 8.5   VA    
Độ ẩm và nhiệt độ hoạt động -10 – 50 độ, 35 – 85% RH (không ngưng tụ)
Nhiệt độ bảo quản -25 ~ 65 c
Chứng chỉ chất lượng
Chứng chỉ chất lượng VX
   
■ Electrostatic discharge (ESD) : KN61000 -4-2
■ EFT(RS) : KN61000  -4-3
■ SURGE : KN61000   -4-5
■ Conductivity RF(CS) : KN61000     -4-6
IP66
(Mặt trước)
     
Trọng lượng (g) 202 120    

 

Bảng chọn sản phẩm của bộ điều khiển nhiệt độ kỹ thuật số VX

 

                                                                                Mã hàng                                             Mô tả
0 (1) (2) (3) (4) (5) (6) (7) (8) (9) (10) (11)  
VX □- □- Màn hình hiển thị LCD
Kích thước 2                     48(W) × 96(H) × 63(D) mm
4                     48(W) × 48(H) × 63(D) mm
7                     72(W) × 72(H) × 63(D) mm
9                     96(W) × 96(H) × 63(D) mm
Cảm biến   U                   Đa ngõ vào
OUT 1
(ngõ ra đ.khiển 1)
M                 Ngõ ra Relay
S                 Ngõ ra xung – áp
(áp d,ng vcri SSR drive)
C                 Ngõ ra dòng điện
(ngõ ra 4 ~ 20 mA cho SCR drive)
OUT 2 (ngõ ra đ.khiển 2) N               Không
M               Ngõ ra Relay
100 – 240 VAC, 50 / 60 Hz
Nguồn cấp A            
Tùy chọn thêm
Sub output A1           1 ngõ ra Relay
(tối thiểu nhất cho VX4)
A2           2 ngõ ra Relay
(tối thiểu nhấtt cho VX2,7,9)
A3           3 ngõ ra Relay (※* 1,* 2)
A4           4 ngõ ra Relay (※ *2)
Truyền thông           Không
C         Truyền thông RS-485
1 ngõ ra
Ngõ ra chuyển đổi         Không
T       Ngõ ra chuyển đổi
(4 ~ 20 mA) – 1 ngõ ra
Ngõ vào số (DI)       Không
  D2     2 ngõ vào số  (DI 1 ~ 2) 
D4     4 ngõ vào số  (DI 1 ~ 4)
Ngõ vào dòng điện (CT)     Không
H1   Ngõ vào dòng điện (CT)
1 ngõ vào
H2   Ngõ vào dòng điện (CT)
2 ngõ vào
Ngõ vào Remote (REM)   Không
R Ngõ vào Remote (4 ~ 20 mA
hoặc 1 ~ 5 V     ) – 1 ngõ vào
Đang cập nhật...